ok je vais faire ça alors, par contre il faut que je diminue encore la collerette du cylindre
Pour la CAF4, où puis-je la trouver?
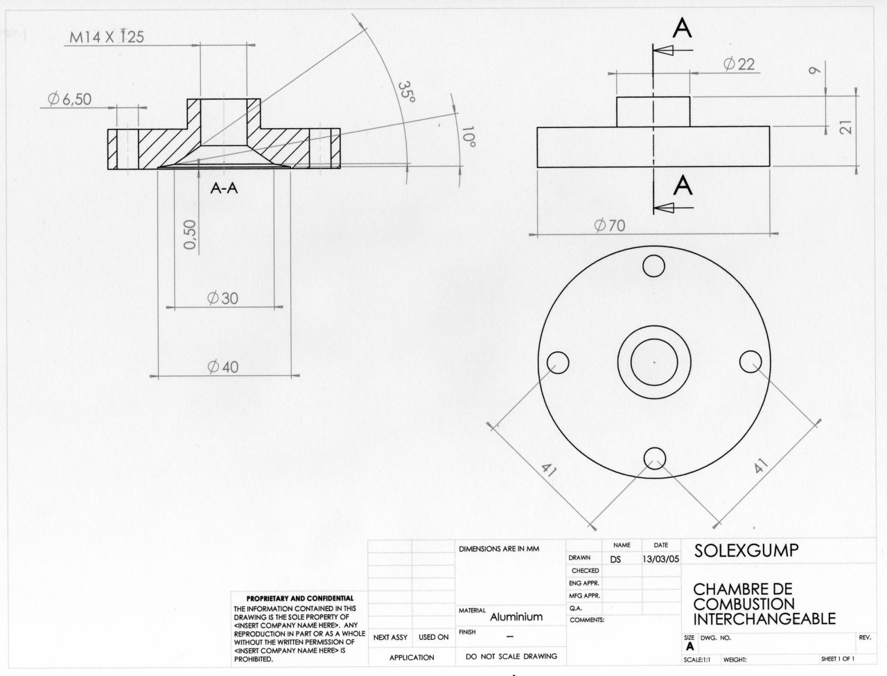
Autre question, si je fais une culasse à plot suivant les plans de Solexgump, ( garage.php?mode=view_image&image_id=1419 ), c'est normal que je trouve un volume de combustion de 3.5 cm3 environ? car cela me fait un taux de compression d'environ 15...
merci





