Recherche avancée
  • Accueil
  • Forum
  • Garage
  • Blogs
  • Photos
  • Videos
  • Aide
  • Index du forum ‹ Préparation Mécanique Solex ‹ Préparation mécanique base origine
  • Modifier la taille de la police
  • Imprimer le sujet
  • FAQ
  • Membres
  • Connexion

Modélisation moteur promo

Origine | Origine Amélioré | Promotion
Répondre
6 messages • Page 1 sur 1

Modélisation moteur promo

Messagede XxarnoxX » 10 Avr 2014, 22:19

Bonjour,
Je suis en train de modéliser un moteur promo dans le but de le faire usiner.
Vous reconnaîtrez certaines pièces que j'ai copié car difficile de partir d'une feuille blanche.
Si je ne peux pas m'en servir je les modifierai.
Pour ce qui est du carter central, je me suis servis du plan ufolep, il faut que les perçages soient aux côtes origine mais faut-il tous les faire? Je pense au trou pour bloquer le vilebrequin notamment.
Pour ce qui est de l'admission j'ai pensé mettre des clapet de mbk 51 d'origine (lanterne), il y a un fichier des clapets modélisés sur dropbox
mais version trop récente de solidworks pour que je puisse l'ouvrir. Si quelqu'un a un plan d'un carter pour ces clapets je suis preneur.
Pour l'allumage, il faut mettre une platine peugeot/mbk puis une seconde platine en fonction de la marque de l'allumage choisi?

Beaucoup de questions d'un coup mais c'est pour m'assurer que tout ce montera sa problèmes et que ce soit homologué.

Merci
Fichiers joints
Moteur.jpg
Moteur coupe.jpg
Carter.JPG
Dernière édition par XxarnoxX le 26 Avr 2014, 13:49, édité 4 fois.
XxarnoxX
Mécano du Dimanche
Mécano du Dimanche
 
Messages: 22
Inscription: 09 Avr 2009, 23:02
Haut

Re: Modélisation moteur promo

Messagede XxarnoxX » 17 Avr 2014, 15:29

Ça progresse...
Fichiers joints
Platine allumage motoplat.JPG
Cône allumage.jpg
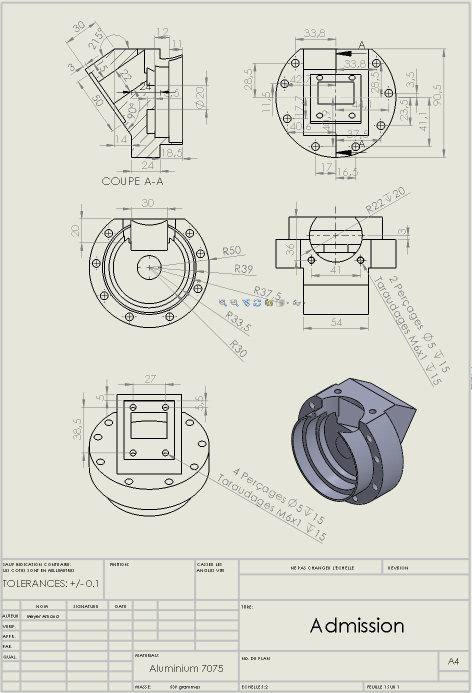
Admission.jpg
Dernière édition par XxarnoxX le 25 Avr 2014, 16:09, édité 1 fois.
XxarnoxX
Mécano du Dimanche
Mécano du Dimanche
 
Messages: 22
Inscription: 09 Avr 2009, 23:02
Haut

Re: Modélisation moteur promo

Messagede XxarnoxX » 21 Avr 2014, 16:41

.
Fichiers joints
Flasque Galet STOOLEX.jpg
Plot culasse 5.7cm3.jpg
Culasse.jpg
XxarnoxX
Mécano du Dimanche
Mécano du Dimanche
 
Messages: 22
Inscription: 09 Avr 2009, 23:02
Haut

Re: Modélisation moteur promo

Messagede XxarnoxX » 26 Avr 2014, 14:10

.
Fichiers joints
Flasque Galet côté admission.jpg
XxarnoxX
Mécano du Dimanche
Mécano du Dimanche
 
Messages: 22
Inscription: 09 Avr 2009, 23:02
Haut

Re: Modélisation moteur promo

Messagede nicosddone » 27 Avr 2014, 22:02

C est une idee ou tes capets tapent dans le vilo sur la vue en coupe ?
Deuxième promotion à Grieges 2015. 4eme SP a Grieges en 2019 (mauvaise place)

C'était la pipe d'admission !
http://www.dailymotion.com/video/x2orm3 ... mendez_fun
Membre SDD Adrenalyne
Avatar de l’utilisateur
nicosddone
Pilier de comptoir de Solex-Compétition
Pilier de comptoir de Solex-Compétition
 
Messages: 974
Inscription: 05 Juin 2010, 22:47
Haut

Re: Modélisation moteur promo

Messagede nicosddone » 27 Avr 2014, 22:05

XxarnoxX a écrit:Bonjour,
Je suis en train de modéliser un moteur promo dans le but de le faire usiner.
Vous reconnaîtrez certaines pièces que j'ai copié car difficile de partir d'une feuille blanche.
Si je ne peux pas m'en servir je les modifierai.
Pour ce qui est du carter central, je me suis servis du plan ufolep, il faut que les perçages soient aux côtes origine mais faut-il tous les faire? Je pense au trou pour bloquer le vilebrequin notamment.
Pour ce qui est de l'admission j'ai pensé mettre des clapet de mbk 51 d'origine (lanterne), il y a un fichier des clapets modélisés sur dropbox
mais version trop récente de solidworks pour que je puisse l'ouvrir. Si quelqu'un a un plan d'un carter pour ces clapets je suis preneur.
Pour l'allumage, il faut mettre une platine peugeot/mbk puis une seconde platine en fonction de la marque de l'allumage choisi?

Beaucoup de questions d'un coup mais c'est pour m'assurer que tout ce montera sa problèmes et que ce soit homologué.

Merci


Le trou pour bloquer le vilo est parfois utile et au pire tu peux t en servir pour brancher une prise de depression pour une pompe a membrane...
Deuxième promotion à Grieges 2015. 4eme SP a Grieges en 2019 (mauvaise place)

C'était la pipe d'admission !
http://www.dailymotion.com/video/x2orm3 ... mendez_fun
Membre SDD Adrenalyne
Avatar de l’utilisateur
nicosddone
Pilier de comptoir de Solex-Compétition
Pilier de comptoir de Solex-Compétition
 
Messages: 974
Inscription: 05 Juin 2010, 22:47
Haut


Répondre
6 messages • Page 1 sur 1

Retourner vers Préparation mécanique base origine

Qui est en ligne

Utilisateurs parcourant ce forum: Aucun utilisateur enregistré et 16 invités

  • Index du forum
  • L’équipe du forum • Supprimer les cookies du forum • Heures au format UTC + 1 heure
Powered by phpBB © 2000, 2002, 2005, 2007 phpBB Group
Traduction par: phpBB-fr.com